هک و انتشار اسناد طراح سامانه‌های پدافندی اسرائیل توسط حنظله

گروه هکری حنظله از انتشار اسناد و تصاویر سامانه‌های دفاعی رژیم صهیونیستی خبر داد.
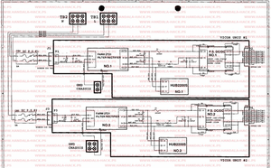
به گزارش گروه سیاسی خبرگزاری فارس، گروه هکری حنظله اعلام کرد: در ادامه سلسله عملیات سایبری علیه زیرساخت‌های نظامی رژیم صهیونیستی، گروه هکری حنظله بار دیگر ضربه‌ای قاطع وارد کرد. ما از طریق یک حمله سایبری پیچیده، با موفقیت به شبکه‌های شرکت PSK WIND Technologies، طراح و مجری اصلی سیستم‌های فرماندهی و کنترل یکپارچه برای پدافند هوایی رژیم صهیونیستی، نفوذ کرده و تمام داده‌های حساس را از سرورهای آنها به طور کامل استخراج کرده‌ایم.
شرکت PSK WIND Technologies به عنوان مغز متفکر مراکز فرماندهی و کنترل، سیستم‌های ارتباطی و زیرساخت‌های دفاعی حیاتی رژیم صهیونیستی شناخته می‌شود. اکنون، تمام اطلاعات فوق سری مربوط به مراکز فرماندهی و کنترل، سیستم‌های ارتباطی و اسناد طبقه‌بندی شده این شرکت به دست آمده و مستقیماً به واحدهای موشکی محور مقاومت منتقل شده است.
هشداری آشکار به صهیونیست‌ها: آنچه شما به عنوان «عید فصح» جشن می‌گیرید، به زودی به روزی فراموش‌نشدنی تبدیل خواهد شد. از این پس، هیچ یک از مراکز فرماندهی یا دفاعی شما امن نخواهند بود و حملات قدرتمند مقاومت در راه است.این تنها آغاز فروپاشی حس امنیت کاذب شماست. همانطور که همیشه قول داده‌ایم، هیچ سیستمی، صرف نظر از اینکه چقدر پیشرفته یا مطابق با استانداردهای نظامی طراحی شده باشد، از قابلیت‌های سایبری مقاومت در امان نیست.
ادامه این اسناد به شرح ذیل است:
اسناد از اینجا قابل دریافت است.https://handala-hack.tw/psk-winds-defense-networks-fall-to-handala-hack/?
10:58 - 13 فروردین 1405
سیاست
نظامی و امنیتی



26 پاسخ

@Zara70801 ساعت پیش
در پاسخ به
حنظله چه میکنی والله باید اون ۱۸شرکت فناوری که سپاه لیست کرده برای بمباران رو بدیم زیر مدیریت حنظله😎

@Zara70801 ساعت پیش
در پاسخ به
c
736***cb789

@Zara7080  •  1 روز پیش

پیشنهادها

از شروط ایران در مذاکرات واگذاری سهام شرکتهای فناوری به ایران باشد

حال آنکه شرکت های فناوری در افشای اطلاعات افراد مهم ایران برای ترور شدن نقش داشته اند با درخواست‌های مکرر برای آغاز مذاکرات صلح یکی از شروط ایران این باشد که شرکت های خاطی سهام عمده ی خود را به شرکت های ایرانی واگذار کنند تا بدینگونه امنیت در شرکت های ذیل برای مردم جهان به ارمغان آید. 1. Cisco 2. HP 3. Intel 4. Oracle 5. microsoft 6. Apple 7. Google 8. Meta 9. IBM 10. DELL 11. Palantir 12. Nvidia 13. JP. Morgan 14. Tesla 15. GE 16. Spire Solutions 17. G42 18. Boeing

شورای عالی امنیت ملی، ریاست جمهوری، دفتر رهبر انقلاب، وزارت خارجه، سپاه پاسداران انقلاب اسلامی

100
گزارش از مطالبه
1000
پیگیری از مسئول مربوطه

@user1708241076301 ساعت پیش
در پاسخ به
سلام و درودماشا... به عقابان تیز چنگ فضای مجازیچه شکار ارزشمندیدرود

تصویر نمایه‌ی ‌حسین کاظمی‌
@Kazemi14041 ساعت پیش
در پاسخ به
مجاهدین جنگ نرم 👋👋

@user17091002615864291261 ساعت پیش
در پاسخ به
چند روز پیش حنظله از حمله سایبری به یکی ار شهرهای امریکا خبر داد و قرار شد خبرهای تکمیلی رو اعلام کنه.چی شد پس؟

تصویر نمایه‌ی ‌از هیروشیما تا میناب‌
@NightMan1 ساعت پیش
در پاسخ به
مطالبه

قاطعانه و بدون هیجان، مقابل تهدید ترامپ برای زدن نیروگاه کوتاه نیایید!

اخیرا ترامپ پدوفیل چون کاملا کنترل جنگ را از دست داده و صهیونها هم گنبد پوشالیشان کاراییش به زیر سی درصد رسیده است ، متوسل به فرایند آشوب داخلی شده بودند که با هوشیاری رهبر و ملت ان هم تا این لحظه خنثی گشته ، لذا تنها راه باقی مانده تهدیدهای اهریمنانه و رعب آور میباشد، مانند زدن نیروگاه های برق ایران و یا حتی تهدیدات کشتار جمعی در آینده . کاملا علمی و منطقی و محاسباتی ، باید هر تهدید او را چند برابر تهدید و عمل کرد و یمن را هم کاملا در جنگ شرکت داده و‌ داخل مرزهای آمریکا هم بحران و جنگ‌ را به مردمش فهمانید . تهدیدهای اهریمنانه ترامپ بطور واضح امکان عملی شدن ندارد ، چون اولا شرایط سیاسی و اقتصادی امریکا اجازه نمیدهد، به عنوان مثال در جنگ ویتنام که بسیار وسیع تر و طولانی تر و در مقطع اوج اقتدار آمریکا بود نمیتوانست حتی در لحظه شکست کامل تهدید اتمی خود را اجرا کند . در حال حاضر که شرایط آمریکا به مراتب ضعیف تر است . ثانیا اغلب بلوک غرب و حتی دولتمردان امریکا دنبال بهانه ای برای تضعیف و خارج کردن ترامپ از جایگاهش هستند. پس شک نکنید اگر بخواهد بعنوان مثال نیروگاه برق بزند و بعد ایران تمام نیروگاههای منطقه را بزند ،بلافاصله این عمل باعث سقوط سیاسی ترامپ در کشورش و جهان غرب خواهد شد و چه بسا بهانه ای برای عزل قانونی وی. تهدیدهای بزرگتر که حتی بیان کردنش باعث سقوطش خواهد شد. لذا بهیچ عنوان نباید در دام ترس یا مصلحت اندیشی غیر علمی بیفتیم و کاملا قاطع به هر حرکتی با چند برابر شدت پاسخ دهیم و هر دو تنگه هرمز و باب المندب را کاملا ببندیم وگرنه بدون شک ترامپ روانپریش و پدوفیل به چیزی کمتر از یک ایران تکه پاره ، بدون زیرساخت و سلاح موثر و نوکر کاملا مطیع آمریکا ، رضایت نخواهد داد. جدا از آن اگر ما واقعا حسینی هستیم باید واقعا ایمان به هیهات من الذله داشته باشیم و بهیچ عنوان به مشورت هایی که شامل ترس از تهدید ، یا مصلحت های ضعیف کننده نیروی نظامی ما بشود وقعی ننهیم و شخص مقام معظم رهبری ، حکم حکومتی شامل جواب چند برابری به هر عمل خصمانه دشمن را به کل کشور و تمام نیروی مقاومت منطقه اعلام نمایند.

مقام معظم رهبری، فرمانده کل ارتش جمهوری اسلامی ایران، سپاه پاسداران انقلاب اسلامی، شورای عالی امنیت ملی، وزارت دفاع و پشتیبانی نیروهای مسلح

100
گزارش از مطالبه
1000
پیگیری از مسئول مربوطه

@alllllli1 ساعت پیش
در پاسخ به
خدا قوت

@user17091000911168384511 ساعت پیش
در پاسخ به
شگفت انگیزه. به امید زمانی که اطلاعات دقیق اختفای سران این رژیم به خصوص نتانیابو و خانواده اش به صورت لحظه ای در اختیار جبه مقاومت قرار گیرد.👏👏👏👏👏👏👏👏👏👏👏👏👏💚🤍❤️✌️✌️✌️✌️✌️✌️✌️✌️✌️✌️✌️🌹🌹🌹🌹🌹🌹🌹🌹🌹🌹🌹🌹🌹🌹🌹

@MATIN11 ساعت پیش
در پاسخ به
اَللّهُمَّ‌ عَجِّل‌ لِوَلیِّکَ‌ الفَرَجنَصْرٌ مِنَ اللَّهِ وَ فَتْحٌ قَرِیبٌ

تصویر نمایه‌ی ‌طهرون‌
@user176894759221 ساعت پیش
در پاسخ به
دمتگرمپایدارباشیدراضیم ازتونمولا علی نگهدارتون

@user17091000321950028051 ساعت پیش
در پاسخ به
سلام خواهشا به من اعتماد کنید. امریکایی ها می خواهند از کویت به خوزستان و خارک حمله زمینی کنندشروع این حمله هم جمعه خواهد بودراه حل حمله این است که نیروهای عراقی و ایرانی کویت را بگیرند. هیچ برنامه ای برای حمله به جزایر بندر عباس نیست.

تصویر نمایه‌ی ‌عاشق ولایت‌
@Velayat434057 دقیقه پیش
در پاسخ به
تصویر نمایه‌ی ‌عاشق ولایت‌
عاشق ولایت

@Velayat4340  •  1 فروردین 1405

مطالبه

منع انتشار تبلیغات دعانویسی و طلسم در سایت دیوار

سلام و احترام متأسفانه به کرات در اپلیکیشن و سایت دیوار ، الالخصوص در دیوار شهر اهواز تبلیغات دعانویسی و سحر و جادو منتشر میشود. افراد و انسان های ساده و بی اطلاع و نا آگاه در دام شیاطین و شیادان و رمال ها میوفتند و در این شرایط اقتصادی خاص دچار ضرر و زیان مالی میشوند و بعضا آسیب های بسیار جدی جسمی و روحی و ... میبینند که گاها غیر قابل جبران میباشد. از ریاست محترم قوه قضائیه و نهادهای مسول بصورت عاجزانه تقاضامندیم که نسبت به مبارزه با این مجرمین و عدم انتشار اینگونه تبلیغات در سایت دیوار اقدامات و دستورات موثر را مبذول بفرمایند.

قوه ی قضائیه، نیروی انتظامی / پلیس / قوه قضائیه، کشور

100
گزارش از مطالبه
1000
پیگیری از مسئول مربوطه

تصویر نمایه‌ی ‌9**2691‌
@Mahashemi57 دقیقه پیش
در پاسخ به
حنظله عزیزم خدا به همراهت 🩷

تصویر نمایه‌ی ‌احسان فرهادی‌
@SUNNISH50 دقیقه پیش
در پاسخ به
دوست داری کنی یاری به تعویق قسط خرد وامی اعتباری که بود ازبرای خرید غذا - خوراکی https://farsnews.ir/SUNNISH/1774777385694343040
تصویر نمایه‌ی ‌احسان فرهادی‌
احسان فرهادی

@SUNNISH  •  3 روز پیش

مطالبه

درخواست تعویق اقساط خرد برای مشاغل اینترنتی

از ابتدای ماه، تاریخ سررسید اقساط خرد و پیامک‌های جریمه و دیرکرد، روح و روان مردم شریف ایران را درگیر کرده است. درخواست تعویق پرداخت اقساط را داریم.

وزارت اقتصادی، بانک مرکزی جمهوری اسلامی ایران، رئیس جمهور . رئیس مجلس قوه قضاییه همه مردم دولت نهاد رهبری ملت ایران، معاون اول رئیس جمهور، رئیس جمهور، جناب آقای دکتر محمد باقر قالیباف، ریاست محترم مجلس شورای اسلامی،، دکتر مسعود پزشکیان، رئیس جمهور منتخب مردم ایران، سازمان هدفمند سازی یارانه ها، نمایندگان مجلس شورای اسلامی

100
گزارش از مطالبه
1000
پیگیری از مسئول مربوطه

نمایش گزارش


@B999Y50 دقیقه پیش
در پاسخ به
امیدوارم استفاده درستی بشه از این اطلاعات

تصویر نمایه‌ی ‌ولادمیر پوتین‌
@Putinvlad49 دقیقه پیش
در پاسخ به
بومی سازیش کنید به حول قوه الهی

@Mej134648 دقیقه پیش
در پاسخ به
سلام و درود بی پایان خداوند بر شما جوانان حنظله عزیز ،خداوند شما را برای ملت ایران حفظ کند. خداوند به شما و خانواده بزرگ و محترم شما سلامتی و عمر با عزت عنایت کند

@IranParastt48 دقیقه پیش
در پاسخ به
ا
ایران پرست

@IranParastt  •  1 روز پیش

مطالبه

درخواست از کشور اسپانیا برای بستن تنگه جبل الطارق بر کشتی های دشمن

ممانعت از ورود دریایی تسلیحات دشمن به منطقه

وزارت امور خارجه

100
گزارش از مطالبه
1000
پیگیری از مسئول مربوطه

@Iranibichare47 دقیقه پیش
در پاسخ به